


根據《廣州市配售型保障性住房管理辦法(試行)》(以下簡稱《辦法》)和《廣州市市本級配售型保障性住房配售管理實施細則(試行)》(以下簡稱《細則》)有關規定,現將2025年第二批配售型保障性住房申購配售有關事項通告如下:
一、項目基本情況
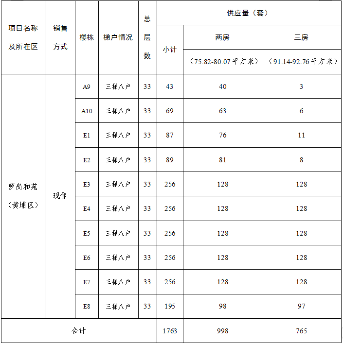
(一)蘿崗和苑
蘿崗和苑保障性住房項目位于黃埔區水西路以西,其中配售型保障性住房2411套,由廣州安居集團有限公司所屬廣州城投住房租賃發展投資有限公司(下稱城投住房租賃公司)進行銷售,本次供應第二批房源1763套,房屋戶型、套數等情況詳見下表:
表1:蘿崗和苑(第二批)房源情況表

(二)嘉翠苑
嘉翠苑保障性住房項目位于白云區嘉禾聯邊地段,其中配售型保障性住房400套,由廣州安居集團有限公司所屬廣州珠江住房租賃發展投資有限公司(下稱珠江住房租賃公司)進行銷售,本次供應第二批房源110套,房屋戶型、套數等情況詳見下表:
表2:嘉翠苑(第二批)房源情況表

上述兩個項目的房源明細表詳見附件1。
二、銷售價格
(一)蘿崗和苑
1.項目銷售基準價
根據《辦法》,確定蘿崗和苑項目銷售基準價為15800元/平方米,價格有效期為2025年2月27日至2026年2月26日。
2.單套房屋銷售價格
該項目單套房屋銷售價格,由廣州安居集團有限公司根據《辦法》和《細則》相關規定,在銷售基準價15800元/平方米的基礎上,結合房屋樓層、朝向等因素在±20%的范圍內調整確定。該項目第二批供應1763套房屋的單套銷售價格約13144元/平方米—17521元/平方米,具體每套房屋銷售價格由廣州安居集團有限公司在“城壹宜居”公眾號和項目銷售現場公布。
(二)嘉翠苑
1.項目銷售基準價
根據《辦法》,確定嘉翠苑項目銷售基準價為17300元/平方米,價格有效期為2025年2月27日至2026年2月26日。
2.單套房屋銷售價格
該項目單套房屋銷售價格,由廣州安居集團有限公司根據《辦法》和《細則》相關規定,在銷售基準價17300元/平方米的基礎上,結合房屋樓層、朝向等因素在±20%的范圍內調整確定。該項目第二批供應110套房屋的單套銷售價格約15026元/平方米—18766元/平方米,具體每套房屋銷售價格由廣州安居集團有限公司在“城壹宜居”公眾號和項目銷售現場公布。
三、申購條件
配售型保障性住房應當以家庭為單位申請,家庭成員包括主申請人、主申請人配偶及其未成年子女。申購家庭應當確定1名主申請人,主申請人配偶為共同申請人。
未婚、離異、喪偶等單身人士符合戶籍家庭申請條件的,主申請人應當年滿30周歲;符合人才家庭申請條件的,主申請人不受戶籍和年齡限制。
(一)戶籍家庭申請條件
戶籍家庭(含單身人士,下同)申請購買配售型保障性住房,應當同時符合以下條件:
1.主申請人具有本市戶籍。
2.主申請人、共同申請人及其未成年子女應當在本市無自有產權住房,且申購前3年內在本市無自有產權住房轉移記錄。
3.主申請人及共同申請人在本市未享受購買房改房、解困房、單位內部集資建房、安居房、經濟適用住房、拆遷安置新社區住房、落實僑房政策專用房、限價房、配售型保障性住房等購房優惠政策。
4.主申請人申購前在本市累計繳納基本養老保險已滿36個月且申購時處于在保狀態,發生中斷、補繳情況的累計不超過6個月且相應的月份不計算在內。主申請人年滿50周歲的,不受基本養老保險繳交時限及狀態限制。
(二)人才家庭申請條件
人才家庭(含單身人士,下同)申請購買配售型保障性住房,應當同時符合以下條件:
1.主申請人須符合以下人才認定情形之一:
(1)具有國家承認的國內院校本科及以上學歷并獲得學士及以上學位;
(2)具有國家承認的境外院校學士及以上學位;
(3)具有中級及以上專業技術職稱;
(4)具有高級工及以上職業技能等級證書;
(5)廣州市人才綠卡主卡持卡人。
2.主申請人、共同申請人及其未成年子女應當在本市無自有產權住房,且申購前3年內在本市無自有產權住房轉移記錄。
3.主申請人及共同申請人在本市未享受購買房改房、解困房、單位內部集資建房、安居房、經濟適用住房、拆遷安置新社區住房、落實僑房政策專用房、限價房、配售型保障性住房等購房優惠政策。
4.主申請人持有《廣州市高層次人才證書》或具有博士學位的,需全職在穗工作;具有碩士學位的,申購前需在本市累計繳納基本養老保險滿12個月,其他人才申購前需在本市累計繳納基本養老保險滿24個月,申購時本市基本養老保險應當處于在保狀態,發生中斷、補繳情況的累計不超過6個月且相應的月份不計算在內。
申購條件涉及對年齡、基本養老保險繳交、自有產權住房等時間的計算,以2025年7月31日為截止計算時點。
一個家庭只能擁有一套配售型保障性住房。同時符合戶籍家庭申購條件和人才家庭申購條件的,可以自主選擇一個類別申請購買,僅限購買一套。
四、申購配售程序
(一)提出申購(2025年8月18日至9月2日)
申請家庭可在2025年8月18日上午10點整至9月2日下午17點整在廣東政務服務網(https://www.gdzwfw.gov.cn/)搜索“市本級配售型保障性住房申購”公共服務事項,點擊“在線辦理”填寫申請信息。申請家庭可以申購蘿崗和苑和嘉翠苑項目中的任一項目,無法同時申購兩個項目。
(二)確定參加資格審核家庭名單(2025年9月5日)
所有申請購買本批次蘿崗和苑項目或嘉翠苑項目的家庭均參加資格審核,市住房保障辦公室將在廣州市住房和城鄉建設局網站上公布申請家庭名單(即參加資格審核家庭名單)。
(三)聯網審核、公示、異議處理、審核結果通告(2025年9月6日至11月中旬)
公布參加資格審核家庭名單次日,區住房保障部門會區人力資源和社會保障部門按規定對名單中家庭申請信息進行審核。完成全部審核后,區住房保障部門將在規定時間通過廣州市住房和城鄉建設局網站公示申請家庭資格審核結果,公示時間為5個工作日。公示時間、網址、查詢方式等信息將以短信方式告知申請家庭。
申請家庭對公示情況有異議的,應在公示期間在廣東政務服務網(https://www.gdzwfw.gov.cn/)搜索“市本級配售型保障性住房異議復核”公共服務事項,點擊“在線辦理”提交異議復核申請,也可在公示期間向區住房保障部門書面申請異議復核并提交相關佐證材料。其他組織和個人對公示情況有異議的,應在公示期間內向區住房保障部門書面申請異議復核,并提交相關佐證材料。區住房保障部門自收到異議復核申請之日起8個工作日內,會同區人力資源和社會保障部門進行調查核實,出具異議復核處理結果。
公示及異議復核完成后,市住房保障辦公室將通過廣州市住房和城鄉建設局網站公布資格審核結果。公布網站、查詢方式等具體信息將以短信方式告知申請家庭。
(四)搖號確定選房順序號(預計2025年11月下旬)
資格審核結果公布后,由廣州安居集團有限公司(城投住房租賃公司、珠江住房租賃公司)舉行蘿崗和苑和嘉翠苑項目的公開搖號儀式,對資格審核通過的申請家庭公開搖號確定選房順序號,搖號過程由公證機構依法公證。市住房保障辦公室將會同廣州安居集團有限公司(城投住房租賃公司、珠江住房租賃公司)在廣州市住房和城鄉建設局網站公布搖號結果。
(五)發布選房通告(預計2025年11月下旬)
搖號確定選房順序號后,廣州安居集團有限公司(城投住房租賃公司、珠江住房租賃公司)將在項目銷售現場及市住房和城鄉建設局網站發布選房通告,明確選房時間、地點、批次安排等,根據申請家庭申購時選擇的送達方式(線上送達/郵寄送達)發放選房通知書,并將選房認購重點事項以短信、電話的方式告知申請家庭,建議申請家庭保持電話有效、準確、暢通,注意查閱短信。
(六)選房認購(預計2025年12月)
1.蘿崗和苑項目選房認購在黃埔區蘿崗和苑營銷中心(黃埔區蘿崗街水西路143號)舉行,申請家庭按公布的選房順序號先后進行現場選房,并在選房認購后簽訂《選房認購書》。
2.嘉翠苑項目選房認購在白云區嘉翠苑營銷中心(白云區嘉翠三街4號首層)舉行,申請家庭按公布的選房順序號先后進行現場選房,并在選房認購后簽訂《選房認購書》。
(七)合同簽訂(預計2025年12月)
1.申請家庭簽訂《選房認購書》后,原則上應當在選房認購后7天內與城投住房租賃公司或珠江住房租賃公司簽訂《廣州市配售型保障性住房買賣合同(現售)》(含前期物業服務合同等附件,以下簡稱《買賣合同》)。
2.蘿崗和苑和嘉翠苑項目的《買賣合同》、合作按揭銀行聯系方式和銀行按揭貸款文件詳見“城壹宜居”公眾號發布內容。
3.每套房屋首期物業專項維修資金=認購房屋建筑面積×105元/m2。
(八)產權辦理
申請家庭分別與項目產權單位城投住房租賃公司或珠江住房租賃公司按照《買賣合同》約定共同辦理不動產權轉移手續。
(九)交付入住
蘿崗和苑和嘉翠苑項目配售型保障性住房為現房,具體的交付使用時間以《買賣合同》約定的時間為準。
五、現場開放安排
蘿崗和苑和嘉翠苑項目設立營銷中心,樣板房開放時間每日9:00~18:00。
六、需要說明的問題
(一)蘿崗和苑和嘉翠苑項目的資格審核結果通告、確定選房順序號、發布選房通告、選房認購、合同簽訂等工作時間安排,將根據實際工作進展情況相應提前或延后,請申請家庭實時關注并提前做好準備(如提前準備補正補齊資料、安排選房時間、籌措首付款等)。
(二)蘿崗和苑項目銷售熱線為020-31700654、020-31709274、020-86688566、020-31700294(每日9:00~18:00);嘉翠苑項目銷售熱線為020-83621021、020-83621023、020-83621024、020-83621025、020-83621026(每日9:00~18:00)。
(三)申請家庭可以自主選擇一次性付款、住房公積金貸款、住房商業貸款或住房組合貸款等付款方式,允許承購人將所購房屋用于辦理購買本住房的貸款抵押,不同付款方式的購房價格相同。
(四)蘿崗和苑和嘉翠苑項目的基本信息(含前期物業服務費、停車費收費標準等)、項目周邊影響因素情況說明、紅線內不利因素情況說明等由城投住房租賃公司、珠江住房租賃公司在“城壹宜居”公眾號發布和銷售現場公示并負責解釋。申請家庭如發現項目銷售現場違反《細則》第八條規定以及省、市商品房銷售信息公示規定的,可以通過廣州政務服務便民熱線(聯系電話:020-12345)向市住房保障辦公室反映。
(五)承購人取得的房屋產權性質為“配售型保障性住房”,房屋產權流轉等后續管理按照《辦法》相關規定執行。
附件:
1.房源明細表
廣州市住房保障辦公室
廣州安居集團有限公司
2025年8月8日
關注 · 廣州政府網